商品コード: cl-a680-8+4
アイアンワークが素敵な12灯シャンデリア照明 イタリア製
¥209,000
税込
- 材質
- アイアン
- サイズ
- φ800×H(950)1100-1450mm
- 重量
- 13.5Kg
- 生産国
- イタリア
- カラー
- 銅褐色塗装
- 出力
- E17 40W×12(シャンデリア球)
- その他
- ボルト止 ⋆LED電球使用可
関連カテゴリ
商品情報
アイアンワークが最も特徴的なイタリアの12灯のデラックスシャンデリア照明です。伝統的なロートアイアン加工を施したフレームは細部にわたってこだわりのある仕上げとなっております。
ヨーロッパの旧城を思わせる雰囲気のこちらの商品は、パイプを使用した商品とは異なり重量感または存在感のある一味違う商品となっております。
質感のあるフリンジカバー

取付フランジカバーは日本にて加工&塗装をして製作しております。
(工事用のボルトは付属されておりません。現場にて有資格者の指示にてボルト加工をお願いいたします。)
※通常のお届けは、1週間以内ですが、パーツが、国外生産のため国内に在庫の無い場合は、納期がかかる場合がございます。予めご了承ください。納期がかかる場合は、メールもしくは、お電話にてご連絡いたします。
※メーカー直送品のため、代引き決済はできません。
商品関連情報
熟練の職人が、手造りで製作したとても風合いのある製品に作り上げられました。
重厚なオランダ家具やアイアンを使ったスペイン家具などにもベストマッチ。
アイアンフレームは伝統的な加工で細部にわたり製作されております。
吊りチェーンもねじり型です。
(工事用のボルトは付属されておりません。現場にて有資格者の指示にてボルト加工をお願いいたします。)
ねじり型吊りチェーン
アイアンフレームは伝統的な加工で細部にわたり製作されております。
吊りチェーンもねじり型です。
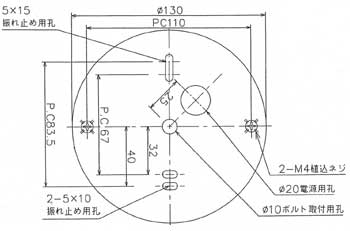
ボルト止板の寸法図
(工事用のボルトは付属されておりません。現場にて有資格者の指示にてボルト加工をお願いいたします。)
1
cl-a680-12-f1.jpg
1
cl-a680-12-f2.jpg





